中央人民政府门户网
湖南省人民政府门户网
衡阳市人民政府门户网
无障碍浏览
注册
统一登录
站群导航
市直单位
市发改委
市教育局
市科技局
市工业和信息化局
市民族宗教事务局
清风衡阳网
市公安局
市民政局
市司法局
市财政局
市人社局
市自然资源和规划局
市生态环境局
市住房和城乡建设局
市交通运输局
市水利局
市医疗保障局
市农业农村局
市商务局
市文化旅游广电体育局
市卫生健康委员会
市审计局
市退役军人事务局
市应急管理局
市国资委
市林业局
市市场监管局
市统计局
市城管局
市国动办
市信访局
市住房保障服务中心
市公共资源交易网
市住房公积金管理中心
市公路建设养护中心
市科协
高新技术产业开发区
松木经开区
网站首页
(current)
信息公开
公众互动
网上办事
智慧住保
商品房交易
公租房管理
首页
>
信息公开
>
测绘成果公示
>
金钟.御龙城实测绘成果公示
发布时间:
2026-03-06
来源:房屋测绘服务科
打印
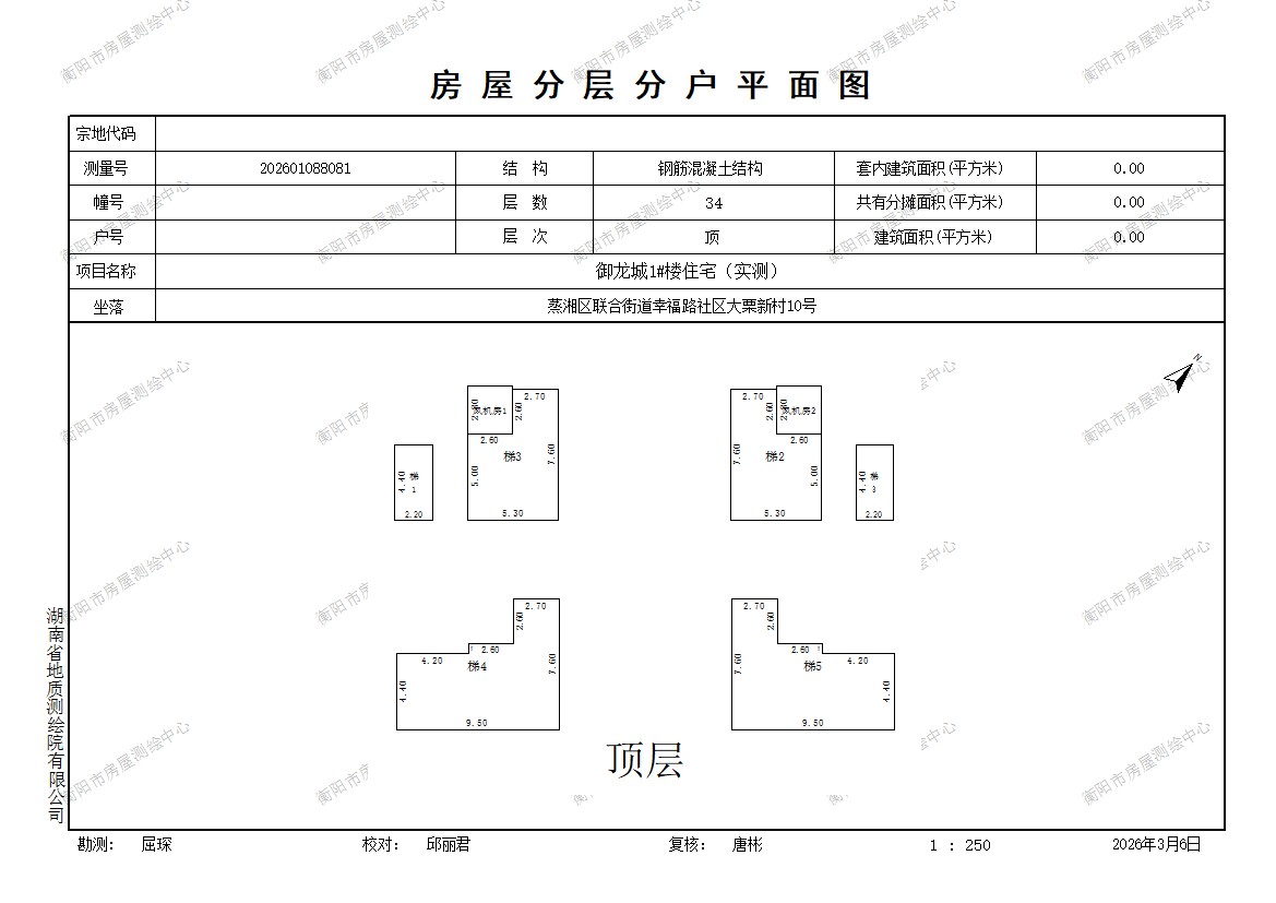
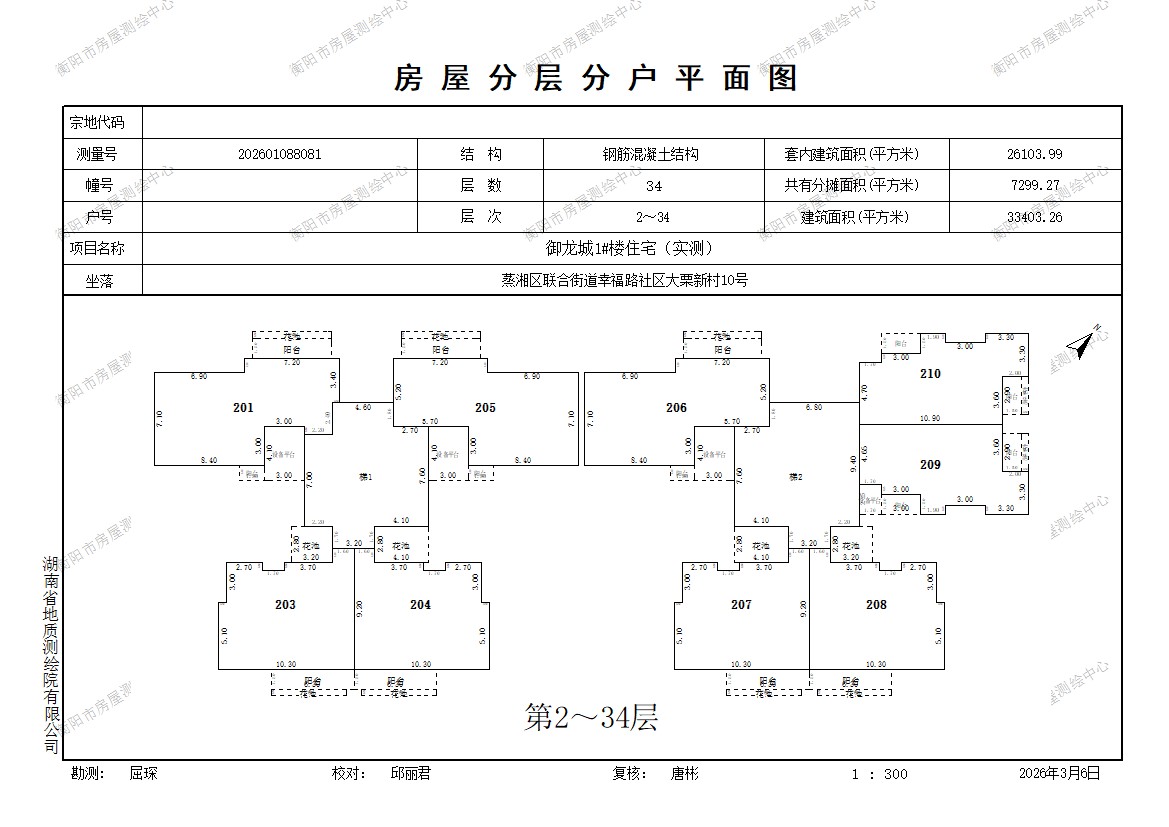
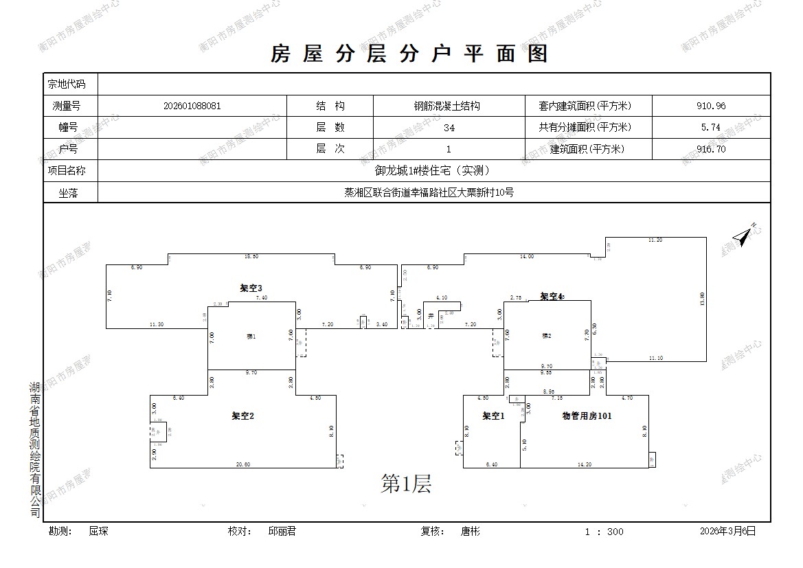
御龙城1#楼住宅(实测)
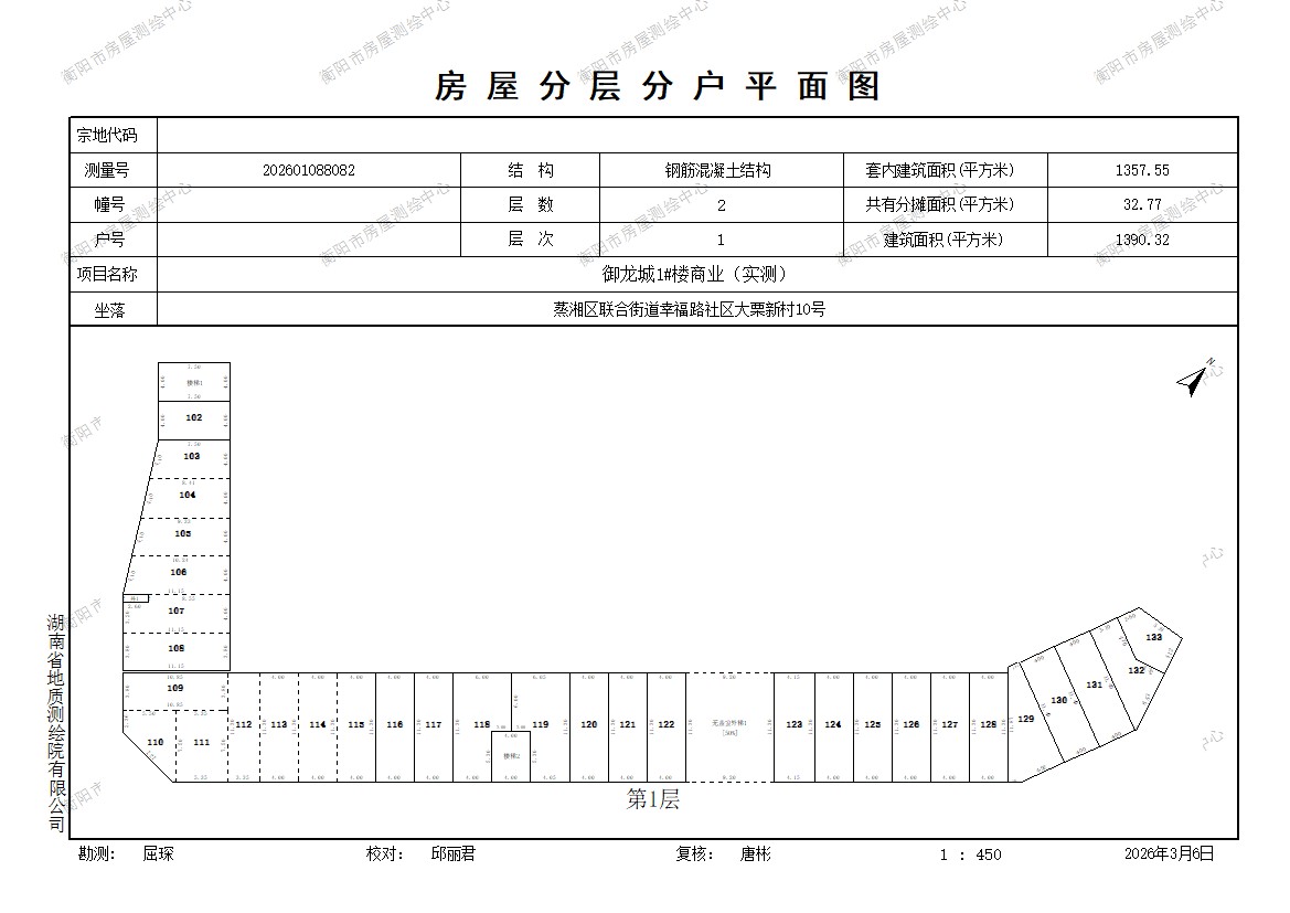
御龙城1#楼商业(实测)
御龙城1#楼地下室(实测)
扫一扫在手机打开当前页
友情链接
国家部委网站
住房和城乡建设部
中国政府网
省政府及厅级网站
湖南省住房和城乡建设厅
红星网
湖南省人民政府
本省市州政府网站
衡阳市政务服务旗舰店
衡阳市住房和城乡建设局
衡阳市党政门户网
新闻媒体网站
人民网
新华网
湖南在线
衡阳新闻网
衡阳文明网